1
/
の
2
シシド静電気
DUST HALER 除電除塵装置 ダストヘーラー Trz:CuBe(遠心ファン内臓型)
DUST HALER 除電除塵装置 ダストヘーラー Trz:CuBe(遠心ファン内臓型)
通常30営業日以内で発送
通常価格
¥280,000 JPY
通常価格
セール価格
¥280,000 JPY
単価
/
あたり
税込
配送料はチェックアウト時に計算されます。
受取状況を読み込めませんでした
静電気によって付着した塵埃を、効率的に除電・除塵ができるクリーンボックス。 HDC-AC搭載イオナイザで高速な除電が可能です。
特徴
- 遠心FANの使用によって、強力な吸引力を発揮し、除去した塵埃を飛散させません。
- 安定性のある HDC-AC タイプのイオナイザを使用し、高速な除電が可能です。
- タイマーモードでは設定した時間にブローが終了し、タクト管理が容易です。
- パルスモードでは4種類のパルスエアーを選択可能で、ワークに合わせて除塵効果を高めることができます。
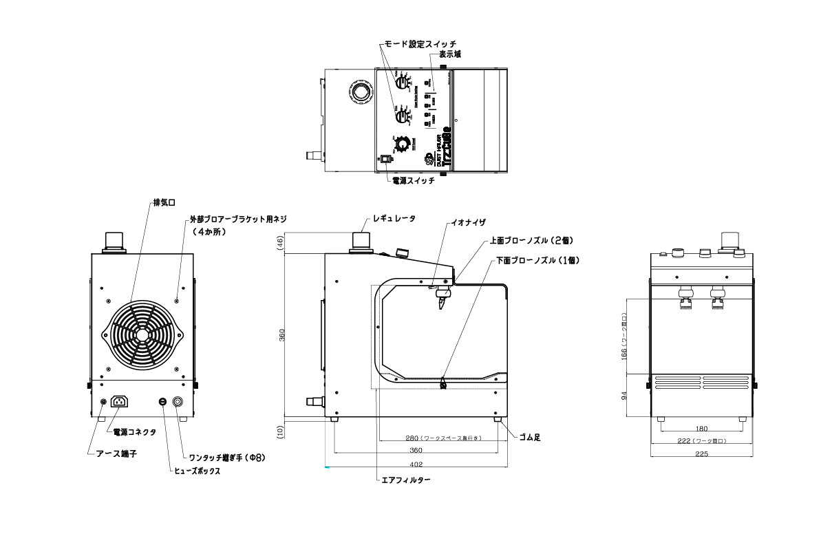
- 上下からのブローによって、ワーク両面を一度に除塵できます。フラット型ブローノズルは上部2個、下部1個組み込まれています。(図1)
仕様
型式 | Trz:CuBe |
---|---|
電源電圧 | AC100V~240V(50/60Hz)±10% |
消費電力 | 最大240W |
イオナイザ性能 | システム : HDC-AC イオンバランス : ±30V以内 除電性能:1秒以下(エア圧0.6MPa時)*1 |
使用流体 | クリーンドライエア*2 |
使用圧力範囲 | 0.2MPa~0.6MPa*3 |
配管接続口径 | Φ8クイック継手 |
ブローノズル | 上面:2個(角度可変) 下面:1個 |
フィルタ性能 | 10μm以上のダストを98%以上捕集可能(交換可能) |
ブローパルス設定 | 1Hz、3Hz、5Hz、10Hz、Cont |
ブロー時間設定 | 3sec、5sec、10sec、15sec、Real |
ファン回転数設定 | 無段階可変 |
エアー消費量 | 270ℓ/min ANR(0.3MPa、Cont設定時) |
騒音 | ファン回転最小時:51dBA ファン回転50%時:74dBA |
大きさ(突起部含まず) | 幅225mm×高さ360mm×奥行400mm |
重量 | 約9kg |
使用環境 | 周囲温度:0~40℃ 周囲湿度:15~85%RH(結露無きこと) |
付属品 | 取扱説明書、電源コード、ワーク挿入口カバー(3本)、交換用フィルタ |
オプション | 交換用フィルタ(5枚組):Trz-RKF05 |
*1:測定位置は実際のワーク位置で150mm×150mm 20pF プレートのCPM(チャージドプレートモニタ)で測定した値(除電時間は±1000V→±100V の減衰時間)。
*2:供給エアーはクリーンかつドライなものをご使用ください。水分や油分を含んだエアーをご使用になりますと放電針が汚れて性能が低下したり故障の原因になります。
*3:本機レギュレータの設定圧力値。
Share

