1
/
の
2
シシド静電気
ペンシルタイプ ペンシルタイプイオナイザ ANZ-SC3
ペンシルタイプ ペンシルタイプイオナイザ ANZ-SC3
通常3営業日で発送
通常価格
¥90,000 JPY
通常価格
セール価格
¥90,000 JPY
単価
/
あたり
税込
配送料はチェックアウト時に計算されます。
受取状況を読み込めませんでした
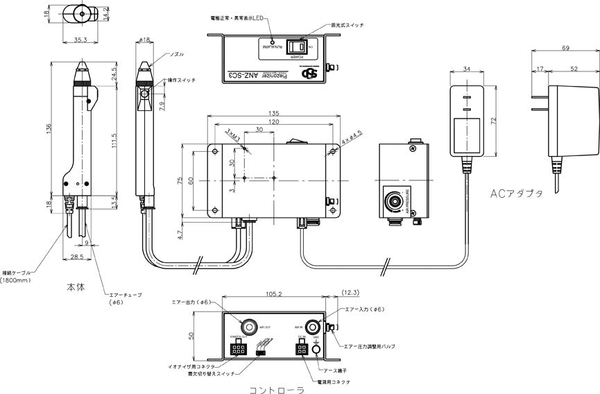
指先の操作スイッチでエアのON/OFFができるペンシルタイプ。レンズなどに付着した塵埃対策に最適です。
特徴
高圧電源を内蔵したペンシルタイプのエアイオナイザです。高圧電源内蔵にもかかわらず、本体はφ18mm、重量が95gと軽量・コンパクトで長時間の除電、除塵作業に最適です。 また、指先の操作スイッチでエアのON/OFFが制御できます。しかも、パルス(間欠)エア対応で除塵効果が高められています。
- 本体はφ18mmと細く、指にフィットしたペンシルタイプです。また、本体の重量は95gと軽く、長時間の作業でも疲れません。
- 高周波ACコロナ放電式の採用により、除電効果が高く、優れたイオンバランスで常に最適な除電ができます。
- 専用のコントローラで高圧電源および供給エアのON/OFF制御が本体スイッチで行うことができます。
- コントローラの設定より、イオンエアの吹き出しを間欠(10Hzまたは5Hz)にすることができます。間欠イオンエアを吹き付けることにより、除塵効果を高めることができます。
- 高電圧異常時には、ブザーおよび出力信号でお知らせします。
- RoHS指令(2002/95/EC)対応品です。
仕様
型式 | ANZ-SC3 |
---|---|
入力電源 | DC24(ACアダプタ付属 AC100V~240V対応) |
消費電流 | 約400mA |
出力電圧 | 約AC2,500 V(高周波式AC電源) |
表示 | 緑:放電正常時点灯 赤:放電異常時点灯 |
ブザー | 放電異常時ON |
異常出力信号 | MOS FETリレーb接点(異常放電) |
イオンバランス | ±15V以下 |
オゾン発生量 | 0.04ppm以下(吹き出し口から150 mm) |
使用流体 | 清浄な空気 |
使用圧力範囲 | 0.05~0.6MPa |
使用エア流量 | 最大190ℓ/min(ANR) |
エア吐出設定 | CONT:連続 PULSE Hi:パルス高速(10Hz) PULSE Lo:パルス低速(5Hz)*1 |
使用環境温度 | 0~40℃ / 65%RH以下 (結露なきこと) |
本体寸法 | 本体:φ18×154L(mm) コントローラ:135W×50H×75D(mm) 突起部を含まず |
重量 | 本体:95g コントローラ:570g |
製品構成 | 本体、コントローラ、ACアダプタ、アース線、ホルダー(4個)、コンタクトピン(5個)、エアチューブ、取扱説明書 |
*1:コントローラ内部の電磁弁は寿命部品です。(開閉寿命:5000万回)
Share

